6209-2Z/VA208用于300度高溫應用場合的單列深溝球軸承-SIAIF耐高溫軸承
用于高溫應用場合的SIAIF單列深溝球軸承
- 2Z: 兩側帶防塵蓋
- VA208: 用于高溫應用的軸承,配有分段式石墨保持架、經磷化錳處理的圈和滾動體,且采用 C5 倍數的徑向游隙。
SIAIF耐高溫軸承
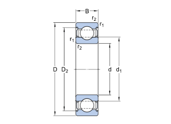
尺寸
d45 mm
內徑D85 mm
外徑B19 mm
寬度d1≈57.6 mm
內圈肩部直徑D2≈75.19 mm
外圈肩部凹槽直徑r1,2min.1.1 mm
倒角尺寸
SIAIF耐高溫軸承
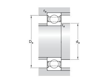
擋肩尺寸
damin.52 mm
軸擋肩直徑damax.57.5 mm
軸擋肩直徑Damax.78 mm
軸承座擋肩尺寸ramax.1 mm
倒角半徑
數據計算
基本額定動載C35.1 kN
基本額定靜載C021.6 kN
極限轉速60 r/min
極限溫度Tmax.350 °C
質量
質量軸承0.43 kg
耐高溫軸承首選江蘇魯岳軸承制造有限公司,SIAIF耐高溫軸承廠家主要生產銷售 耐高溫軸承 6209-2Z/VA208 , SIAIF耐高溫軸承6209-2Z/VA208產品相關信息:型號:6209-2Z/VA208, 品牌:SIAIF軸承 , 類型:軸承 , 內徑:45mm , 外徑:85mm , 厚度:19mm , 想要更多的了解無錫SIAIF耐高溫軸承6209-2Z/VA208的相關產品信息,可以撥打服務熱線 ,我們會為您詳細介紹產品的相關服務。
SIAIF耐高溫軸承 6209-2Z/VA208 使用范圍很廣,主要應用于傳輸裝置、工程機械、振動篩、機床、汽 車、冶金、礦山、石油、機械、電力、電機、風機、鐵路等行業(yè),本公司生產的SIAIF耐高溫軸承6209-2Z/VA208產品價格合理,保證質量,盡一切滿足客戶的產品需求。


關注公眾號,隨時查軸承